Nossos Serviços
Ponto de ancoragem definitivo,montagem e manutenção de equipamento da construçao civil,automação de quadros elétrico,projeto e art.
Montagens Equipamentos
Realizamos montagens de elevador cremalheira,mini grua,balancim elétrico,guicho velox,cadeirinha manual e elétrica,grua e andaime com precisão e segurança, garantindo a qualidade e durabilidade das obras.


Ponto de ancoragem definitivo
Ponto de ancoragem para linha de vida é um dispositivo que prende a linha de vida a uma estrutura, garantindo estabilidade e segurança em trabalhos em altura de acordo,ART e projeto e as normas.
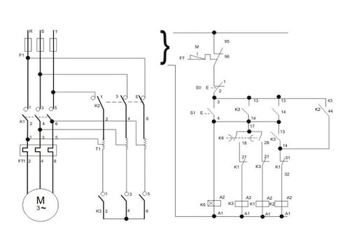
Fazemos automação de quadro elétrico de acordo a sua necessidades e quadro para serra de bancada com parada de emergência.
Oferecemos serviços personalizados conforme a necessidade do cliente, sempre com foco na excelência.




Projetos em Destaque
Conheça nossos projetos.


Projeto de Equipamentos
Projetos de elavadores cremalheira,mini grua,balancim elétrico,guincho de velox,cadeirinha manual e elétrica e andaime.


Projeto de pontos de ancoragem
Projeto de ponto de ancoragem para linha de vida.




Projeto de quadro de comando
Para todo o painel elétrico fabricado, é elaborado um projeto eletromecânico, composto de capa, índice, folha de dados, diagrama trifilar, diagrama.
Reforma de equipamentos
A reforma de elevador cremalheira,mini grua varios outros equipametos da construção civil que consiste em verificar e corrigir possíveis falhas, prolongando a vida útil do equipamento.
Entre em Contato Conosco
Solicite seu orçamento agora mesmo e tire suas dúvidas com nossos agentes especializados. Estamos prontos para ajudar você!
Contatos
(61)98337-9475
Suporte
amservicos9@gmail.com
Avaliações Clientes
Veja o que nossos clientes dizem sobre nossos serviços de excelência.
A equipe da am serviços foi incrível, superou nossas expectativas em cada detalhe.
João Silva
Brasília
Os profissionais da am serviços demonstraram grande competência e dedicação em todas as etapas da obra. Recomendo a todos que buscam qualidade e confiança.
Maria Costa
Brasília
